The SMIS beamline recently hosted the Optical Service Team of the “Institut d’Astrophysique Spatiale” (Orsay). They established a very accurate calibration procedure of infrared Fabry-Perot filters, to choose which will be installed in MAJIS, an imaging spectrometer flying on the JUICE satellite in 2022 to visit Jupiter.
JUICE, “JUpiter ICy moons Explorer”, is the first of the 3 L ('Large') class missions of Cosmic Vision, the scientific program of the European Space Agency between 2015-2025; it is also the first European space probe to the outer planets of the solar system.
The main objectives of JUICE will be to observe Jupiter and three of its largest moons, Ganymede, Europa and Callisto. These moons could house oceans under their icy crust which, in the case of Ganymede, would contain more water than all the oceans of Earth. Water potentially means life; thus the moons of Jupiter attract enormous attention.
To learn as much as possible, JUICE will carry ten different instruments weighing about a hundred kilograms. One of them is MAJIS, “Moons and Jupiter Imaging Spectrometer”. The development of this instrument is currently being done by the Institut d’Astrophysique Spatiale (IAS), for delivery expected in 2020; the instrument development is conducted in collaboration with the Italian Space Agency and the Royal Observatory of Belgium.
MAJIS will perform visible and infrared spectrum up to 5.54 µm to get chemical maps of ices and minerals on the surface the Icy moons of Jupiter. The tropospheric clouds of Jupiter will be also characterized.
JUICE will arrive to Jupiter around 2029 and will collect data for three years.
Calibration of infrared Fabry-Perot filters
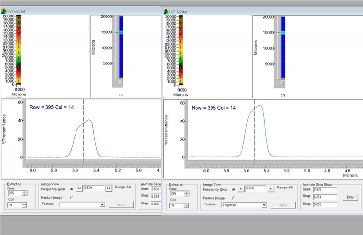
MAJIS IR channel will use array detector with 1024x1024 pixels to detect light in the 2.25 to 5.54 µm spectral range. A critical component in these measurements is a wedged Fabry-Perot filter in front of the detector that allows each pixel of the array to acquire data in a different, narrow spectral window. This technology enables the construction of a compact spectrometer without moving parts that can be used for both spectroscopy and spectroscopic imaging. As the spectral transmissivity of the filter is position dependent a calibration is necessary to use MAJIS for reliable measurements during the space mission.

Figure 1: portion of an infrared filter of MAJIS
Currently, relying on the expertise of SMIS scientists, the IAS team is fine tuning the calibration procedure. The measurements also provide quality control to the production team and may pinpoint manufacturing problems. Based on these experiments, after the flight model is manufactured, the final calibration will be done at SMIS.

Figure 2: What a filter “sees”: Here, the light blue area at the top is transparent at the wavelength of 5.5 μm; Its transmission is 60% and the visible window at mid-height is about 200 nm wide.
[The teams of IAS and SMIS have a long and fruitful collaboration, especially in the FTIR analysis of extraterrestrial samples (meteorites, interplanetary dust, etc.).
Several IAS instruments jointly funded by DIM-ACAV and SOLEIL are installed at SMIS, including the Agilent FTIR imaging microscope used for these measurements.]